|
Preparation and Patterning of Nanoscale Wires:
Nanoscale wires are essential interconnects for future device technologies. At present we are investigating several wires systems: LiSe 3Mo 3, ErSi 2, carbon nanotubes and metallic wires synthesized by template methods. Each occurs as a single wire or as a bundle up to tens of nanometers in diameter. In the case of LiSe 3Mo 3 wires these bundles when released can extend to lengths of over 100 µm (more than 0.1 mm!). For LiMo 3Se 3, three-dimensional nanowire networks are formed upon ion exchange of the Li-cation by positively charged organic ligands. We are interested in developing protocols for synthesizing these wires, as well as patterning and chemical modification for interconnect applications.

Ball and stick model of LiMo 3Se 3. (Blue: Lithium, grey: Molybdenum, orange: Selenium). The diameter of a single nanowire is 0.6 nm.

AFM image showing LiMo 3Se 3 nanowire forming a Y- and X-shaped contact.

More than 80 µm long LiMo 3Se 3 nanowire.

LiMo 3Se 3 nanowire network on HOPG formed by spin-coating of a 10 -3 M DMSO solution at 5000 rpm. The nanowires have a very uniform diameter between 3 and 5 nm and the network is nearly two-dimensional.

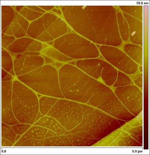
LiMo 3Se 3 “neuronal” nanowire network on HOPG.

TEM image of an ion exchange XMo 3Se 3 nanowire network.

TEM image of an ion exchanged XMo 3Se 3 nanowire network. Clearly visible are the 0.6 nm diameter (Mo 3Se 3 -) n – chains separated by the positively charged X + - ligands. The spacing between the nanowire chains depends strongly on the size of the used ligands.
Back to top |